English
Español
Português
русский
Français
日本語
Deutsch
tiếng Việt
Italiano
Nederlands
ภาษาไทย
Polski
한국어
Svenska
magyar
Malay
বাংলা ভাষার
Dansk
Suomi
हिन्दी
Pilipino
Türkçe
Gaeilge
العربية
Indonesia
Norsk
تمل
český
ελληνικά
український
Javanese
فارسی
தமிழ்
తెలుగు
नेपाली
Burmese
български
ລາວ
Latine
Қазақша
Euskal
Azərbaycan
Slovenský jazyk
Македонски
Lietuvos
Eesti Keel
Română
Slovenski
मराठी
Srpski језик
Промышленное здание для обеспыливания машины для производства тумана
Электрическая машина для земснаряда мощностью 22 кВт
Строительная машина для обеспыливания тумана
Промышленная электрическая мойка высокого давления мощностью 10 кВт
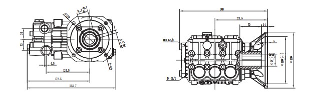
Электрическая мойка высокого давления мощностью 2,4 кВтКаждый насос высокого давления в 100 баров с 7,5 кВт проходил 3700 часов различных испытаний на давление и может быть запущен при низком давлении и сохраняет постоянную давление, даже при изменении напряжения. По сравнению с насосами первого и второго поколения, насос высокого давления третьего поколения имеет характеристики небольшого размера, высокого давления, низкого шума и более длительного срока службы.
|
Модель |
JNK-4010D |
|
Объем потока (L/мин) |
40 |
|
Моторное напряжение (кВт) |
7.5 |
|
Давление (бар) |
100 |
|
Скорость вращения (об / мин) |
1450 |
|
Диаметр поршня (мм) |
28 |
|
Коленчатое путешествие (мм) |
15 |
|
Диаметр коленчатого вала (мм) |
28 (внутренний вал) |
Коммерческая машина для очистки под высоким давлением мощностью 3 кВт
Коммерческая электрическая мойка высокого давления мощностью 4 кВт
Промышленная электрическая мойка высокого давления мощностью 7,5 кВт
Промышленная мойка высокого давления мощностью 5,5 кВт
Насос высокого давления 300BAR с 10 кВт
Насос высокого давления 90BAR с 7,5 кВт